INAX
Thương hiệu:
INAX
Tình trạng:
Hết hàng
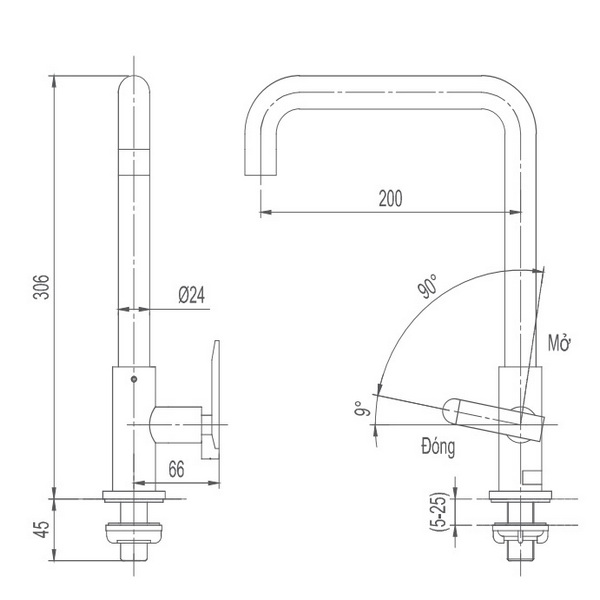
Thông tin cơ bản Vòi bếp INAX SFV-31S
- Vòi bếp INAX SFV-31S lạnh gắn chậu đến từ thương hiệu thiết bị vệ sinh INAX
- Vòi rửa chén bát có 1 chế độ nước lạnh, có thể quay trái quay phải
- Tạo nên sự đồng bộ và sang trọng với nhiều tiện ích mang lại sự hài lòng và thỏa mãn nhất cho người sử dụng.
- Sản xuất trên dây chuyền công nghệ hiện đại của Nhật Bản
- Chất liệu chủ yếu bằng đồng
- Lớp mạ Crom/Ni sáng bóng, giữ cho vòi rửa luôn bền đẹp theo thời gian
- Chú ý: Không vệ sinh sản phẩm bằng chất tẩy rửa có tính axit mạnh.
Bản vẽ kỹ thuật Vòi bếp INAX SFV-31S

0982.991.881